SKFCR419503轴承详细参数

发布时间:2026-04-14
V形环密封件, VR4 设计
V形环密封件
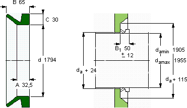
da d A B C
最小 最大
mm mm - - - -
19051955179432,56530VR4RCR 419503419503

SKFCR419503V型圈密封供应商

八零动力专业销售CR419503V型圈密封,库存SKFCR419503大量现货,与SKF合作,咨询热线:022-58519723业务咨询
SKFCR419503运转起来如此顺滑,这款轴承的制造工艺着实令人赞叹其质量上乘,是众多机械设备不可或缺的优质配件它的品质卓越,为机械设备的高效、稳定运行保驾护航它的可靠性,赢得了无数工程师的信任 先进的制造技术,让这款轴承的质量达到了行业领先水平质量上乘的轴承,为设备的高效稳定运行奠定了基础,八零动力SKFV型圈密封品种全,价格优,质量有保证!

用户关注最多的SKF轴承型号

SKF234407B SKF312-Z SKF321394A SKF351554B SKF7034AC/DF SKFBT4B328909G/HA1VA901 SKFFY1.7/16RM SKFFY1.RM SKFNJG2352VH SKFNK40/30 SKFNNU4938K/W33 SKFNUP2212ECP* SKFPCZ2216M SKFW02 SKFW6000-2RS1

CR419503V型圈密封近似的SKF轴承型号

SKFCR419503 SKFCR419500 SKFCR419990

用户关注最多的轴承狗热门型号

INA  PAPZ1608-P10 KOYO  NU1018 LYC  FHM 803146/FHM803110 KOYO  314274A NSK  29326 TIMKEN  482 /472-B INA  GFS9 KOYO  RF284251A LYC  NU 311 M/C3 INA  RASEL40-N NTN  29452 TIMKEN  EE329117D/329172+Y1S-329172 NACHI  NUP426 SKF  GE12C SKF  C2209V*

版权所有©2009-2015 轴承狗zcgou.com ICP备案:津ICP备14004550号-13