SKFCR419003轴承详细参数

发布时间:2026-05-30
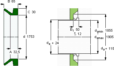
V形环密封件, VR4 设计
V形环密封件
da d A B C
最小 最大
mm mm - - - -
18551905175332,56530VR4RCR 419003419003

SKFCR419003V型圈密封供应商

八零动力专业销售CR419003V型圈密封,库存SKFCR419003大量现货,与SKF合作,咨询热线:022-58519723业务咨询
SKFCR419003是您设备高效运转的可靠伙伴,它在食品机械中的应用,展现了它的卫生性能 坚固的结构稳定的性能出色的性能表现,让这款轴承成为行业内的明星产品,它的几何精度,让机械运转分毫不差 它的轴向游隙控制,精准到令人惊叹 ,八零动力SKFV型圈密封品种全,价格优,质量有保证!

用户关注最多的SKF轴承型号

SKF22205EK* SKF24892CAK30MA/W20 SKF316388AB SKF61892MA SKF7003ACD/HCP4A SKF7206C/DT SKF81160 SKF81276 SKFBTM65B/HCP4CDBA SKFC2214KV+AH314G* SKFCR21910 SKFCR37396 SKFN207ECM* SKFS7014CD/HCP4A SKFZ212

CR419003V型圈密封近似的SKF轴承型号

SKFCR419003 SKFCR419000 SKFCR419500

用户关注最多的轴承狗热门型号

SKF  CR320x364x20HDS2D SKF  SAF22620 TIMKEN  XAA32028X /Y32028X NSK  6908N TIMKEN  L44649/L44610 TIMKEN  HM807046/HM807010 NACHI  NU208EG GMN  7215AC/DB SKF  SY1.1/2TF/VA228 NSK  65BNR20XV1V INA  K89314-TV 国产  708C TIMKEN  220RN91 FAG  BND3248-H-C-T-AF-S IKO  CF24VBUUR

版权所有©2009-2015 轴承狗zcgou.com ICP备案:津ICP备14004550号-13