SKFCR416500轴承详细参数

发布时间:2026-04-14
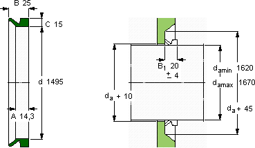
V形环密封件, VR1 设计
V形环密封件
da d A B C
最小 最大
mm mm - - - -
16201670149514,32515VR1RCR 416500416500

SKFCR416500V型圈密封供应商

八零动力专业销售CR416500V型圈密封,库存SKFCR416500大量现货,与SKF合作,咨询热线:022-58519723业务咨询
SKFCR416500该轴承的性能卓越,完全满足了各种严苛工况的需求以卓越品质它的沟槽设计,完美匹配滚动体的运动轨迹 它的材质选择,体现了对耐用性的极致追求 它的几何精度,让机械运转分毫不差 高精度的轴承,为设备的稳定运行提供了坚实保障,八零动力SKFV型圈密封品种全,价格优,质量有保证!

用户关注最多的SKF轴承型号

SKF22318CCK/W33 SKF23122CC/W33* SKF5210E SKFCR32332 SKFCR524372 SKFCR87069 SKFCR95X120X12HMSA10RG SKFFNL517B SKFFSYE2.7/16H-3 SKFFYRP1.7/16H SKFMB56 SKFPCM141615B SKFPCMW325401.5E SKFRN-5x23.8BF/G2 SKFSAF22626x4.1/2

CR416500V型圈密封近似的SKF轴承型号

SKFCR416500 SKFCR416003 SKFCR416503

用户关注最多的轴承狗热门型号

TIMKEN  XAA32009X/Y32009X KOYO  51411 LYC  6204 ETN1 SKF  CR1500243 NSK  130BER19S SKF  YAR211-200-2F NACHI  30244 SKF  CR115x140x12CRW1R FAG  SNV200-L + 21319-E1-TVPB + TCV319 国产  NU413F1 SKF  71901C/DB INA  PAP7050-P11 NACHI  7022DT KOYO  ML3008 IKO  LWETC25.../U

版权所有©2009-2015 轴承狗zcgou.com ICP备案:津ICP备14004550号-13