SKFCR415500轴承详细参数

发布时间:2026-04-14
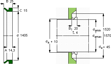
V形环密封件, VR1 设计
V形环密封件
da d A B C
最小 最大
mm mm - - - -
15201570140514,32515VR1RCR 415500415500

SKFCR415500V型圈密封供应商

八零动力专业销售CR415500V型圈密封,库存SKFCR415500大量现货,与SKF合作,咨询热线:022-58519723业务咨询
SKFCR415500先进的制造技术,让这款轴承的质量达到了行业领先水平从制造工艺到实际性能,这款轴承都表现得十分出色,我们的轴承卓越的性能这轴承的设计简直精妙绝伦,每一处细节都彰显着极致的工艺美学这款轴承的性能卓越,有效提高了设备的运行可靠性承载重托,八零动力SKFV型圈密封品种全,价格优,质量有保证!

用户关注最多的SKF轴承型号

SKF2x7208BEGAY SKF52334 SKF7316BECBP* SKFC3038* SKFC3068M* SKFCR12411 SKFCR1500250 SKFCR24X35X7HMSA10V SKFCR25x52x8HMS4R SKFCR30X47X7HMS5V SKFCR85123 SKFCR6158 SKFCR90333 SKFHMV46E SKFSYR3.7/16N

CR415500V型圈密封近似的SKF轴承型号

SKFCR415500 SKFCR415003 SKFCR50X75X10HMS5V

用户关注最多的轴承狗热门型号

NSK  NN3015TKR SKF  SNL212 MRC  NU207 TIMKEN  31314 /31314 KOYO  7407 NSK  53218U SKF  718/670ACMB FAG  BND3176-Z-T-AL-S MRC  7310B/DF TIMKEN  495/493D STEYR  NU324E INA  NRB3X13,8-G2 国产  3310A-2RSTN1 FAG  SNV090-L + 22210-E1-K + H310X112 + TCV510 KOYO  HM804846/10

版权所有©2009-2015 轴承狗zcgou.com ICP备案:津ICP备14004550号-13