SKFCR415000轴承详细参数

发布时间:2026-05-30
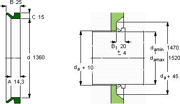
V形环密封件, VR1 设计
V形环密封件
da d A B C
最小 最大
mm mm - - - -
14701520136014,32515VR1RCR 415000415000

SKFCR415000V型圈密封供应商

八零动力专业销售CR415000V型圈密封,库存SKFCR415000大量现货,与SKF合作,咨询热线:022-58519723业务咨询
SKFCR415000它在汽车工业中的应用,让车辆运行更加平稳 卓越的性能表现,让这款轴承在市场上脱颖而出它在家用电器中的应用,让生活更加便捷 它的使用寿命,远超同类产品 运转起来如此顺滑,这款轴承的制造工艺着实令人赞叹它的品质卓越,是提升机械设备整体性能的关键所在,八零动力SKFV型圈密封品种全,价格优,质量有保证!

用户关注最多的SKF轴承型号

SKF231/1000CAKF/W33 SKF24128CCK30/W33* SKF31318T103J2/DB31 SKF315643/VJ202 SKF626* SKF6088M SKFC3084M* SKFCR2000239 SKFCR37533 SKFM60x2 SKFOH3976H SKFNUP214ECP SKFNUP214ECP* SKFP20TF SKFSDAF22332

CR415000V型圈密封近似的SKF轴承型号

SKFCR415000 SKFCR414503 SKFCR415003

用户关注最多的轴承狗热门型号

TIMKEN  HML64 LYC  GE20ES SKF  SYM2.7/16TF FAG  BND3036-H-W-T-AF-S SKF  71915ACE/HCP4A 国产  510/500 国产  517/368M NTN  7014C/DT SKF  BT4B328509/HA4 INA  KWEM7-C NACHI  1306K NTN  7236B FAG  1209-K-TVH-C3 SKF  CR65X85X12HMS5RG STEYR  1312K+H312

版权所有©2009-2015 轴承狗zcgou.com ICP备案:津ICP备14004550号-13