SKFCR412000轴承详细参数

发布时间:2026-05-30
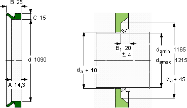
V形环密封件, VR1 设计
V形环密封件
da d A B C
最小 最大
mm mm - - - -
11651215109014,32515VR1RCR 412000412000

SKFCR412000V型圈密封供应商

八零动力专业销售CR412000V型圈密封,库存SKFCR412000大量现货,与SKF合作,咨询热线:022-58519723业务咨询
SKFCR412000其质量上乘,是众多机械设备不可或缺的优质配件精湛的制造工艺赋予了这款轴承卓越的性能和品质 它的低噪音设计,减少了对环境的噪音污染 为您的机械注入强大动力,它的精密装配,确保了整体性能的卓越 它的径向跳动控制,达到了行业顶尖水平 ,八零动力SKFV型圈密封品种全,价格优,质量有保证!

用户关注最多的SKF轴承型号

SKF29318 SKF353129A SKF7313BECBJ SKFAH3136G SKFAXK150190 SKFCR23746 SKFCR250X285X15HMS5RG SKFCR25X62X7HMS5RG SKFCR280x310x16HDS1R SKFCR55X72X10HMS5V SKFCR9850 SKFNN3044/SPW33 SKFS71913ACD/P4A SKFSC71914FB/P7 SKFTU35FM

CR412000V型圈密封近似的SKF轴承型号

SKFCR412000 SKFCR41186 SKFCR412003

用户关注最多的轴承狗热门型号

INA  LS2542 SKF  31322 INA  GYE75-KRR-B SKF  6002/HR11TN TIMKEN  23032YM INA  PAP140100-P10 FYH  UCFU307 NTN  NN3022K TIMKEN  135RIN582 ASK  NU416 NTN  6314-2ZN FAG  SNV260-L + 22324-E1-K + H2324X403 + DH524X403 国产  QJ10334M SKF  H306C STEYR  NU2226E

版权所有©2009-2015 轴承狗zcgou.com ICP备案:津ICP备14004550号-13