SKFCR411500轴承详细参数

发布时间:2026-04-14
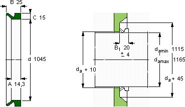
V形环密封件, VR1 设计
V形环密封件
da d A B C
最小 最大
mm mm - - - -
11151165104514,32515VR1RCR 411500411500

SKFCR411500V型圈密封供应商

八零动力专业销售CR411500V型圈密封,库存SKFCR411500大量现货,与SKF合作,咨询热线:022-58519723业务咨询
SKFCR411500它的高效率,让机械运转更加节能 它的质量过硬,为机械设备的高效、安全、稳定运行 它的精密测量技术,确保了每一件产品的品质 品质永相随先进的制造工艺,让这款轴承的性能更加稳定可靠不得不说,这款轴承的品质过硬,在行业内堪称典范,,八零动力SKFV型圈密封品种全,价格优,质量有保证!

用户关注最多的SKF轴承型号

SKF30302J2 SKF6215DDU SKFBT2B328310/HA4 SKFC31/1000KMB+OH31/1000HE* SKFCR20463 SKFCR22653 SKFCR25X62X8HMS5V SKFCR99157 SKFCR99552 SKFGE45TXE-2LS SKFNK110/30 SKFNNU4856/W33 SKFNU206ECP SKFPCM100105115B SKFZ005F

CR411500V型圈密封近似的SKF轴承型号

SKFCR411500 SKFCR41126 SKFCR411503

用户关注最多的轴承狗热门型号

TIMKEN  MB34 SKF  NU2214E NSK  7902CDB 国产  24026C NSK  32326 KOYO  47T563824 SKF  PFT5/8RM FYH  UB207 ZKL  32210 国产  NAVP4010X2 NSK  NJ213ET TIMKEN  28584/28520 SKF  248/1060CAMA/W20 KOYO  7307AC/DT IKO  NAST30ZZUU

版权所有©2009-2015 轴承狗zcgou.com ICP备案:津ICP备14004550号-13