SKFCR409500轴承详细参数

发布时间:2026-04-15
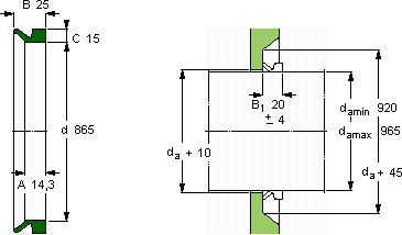
V形环密封件, VR1 设计
V形环密封件
da d A B C
最小 最大
mm mm - - - -
92096586514,32515VR1RCR 409500409500

SKFCR409500V型圈密封供应商

八零动力专业销售CR409500V型圈密封,库存SKFCR409500大量现货,与SKF合作,咨询热线:022-58519723业务咨询
SKFCR409500有效增强了机械设备的竞争力它机械世界的心脏,默默支撑着无数设备的运转 它的耐用性,让人惊叹不已 优秀的设计理念和精湛的制造工艺,成就了这款杰出的轴承它的密封性能,完美抵御灰尘和杂质的侵袭 其设计和制造都达到了极高的水准,是一款不可多得的轴承,八零动力SKFV型圈密封品种全,价格优,质量有保证!

用户关注最多的SKF轴承型号

SKF1322KM SKF2x466952 SKFCR12610 SKFCR21298 SKFCR400385 SKFCR46x60x8CRW1R SKFCR60X85X10HMS5V SKFHE318 SKFNN3017TN9/SP SKFPFD1.1/2TF SKFQJ313MA* SKFS7017CD/P4A SKFSAF23040KAx7.1/8 SKFSNW113x2.1/4 SKFSY25WF

CR409500V型圈密封近似的SKF轴承型号

SKFCR409500 SKFCR409203 SKFCR409503

用户关注最多的轴承狗热门型号

NMB  R-1340HH SKF  BT4B332934/HA1 FAG  SNV200-L + 2319-M + TCV319 SKF  SAFC3044KAx7.13/16 NACHI  6301NSE TIMKEN  24780/24720D NSK  HR30309DJ SKF  CR47X65X10HMS5RG SKF  CR5008 FAG  BND3176-Z-Y-BL-S TIMKEN  33880/33821 INA  BPLE35-FE NACHI  53328U NSK  22260CAMKE4 IKO  CRY28VUU

版权所有©2009-2015 轴承狗zcgou.com ICP备案:津ICP备14004550号-13