SKFCR407403轴承详细参数

发布时间:2026-05-30
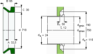
V形环密封件, VR4 设计
V形环密封件
da d A B C
最小 最大
mm mm - - - -
74075071832,56530VR4RCR 407403407403

SKFCR407403V型圈密封供应商

八零动力专业销售CR407403V型圈密封,库存SKFCR407403大量现货,与SKF合作,咨询热线:022-58519723业务咨询
SKFCR407403它的每一次转动,都是对效率的极致追求 这轴承的精度控制令人佩服,为设备的精准运行提供了保障引领转动新潮流,它的品质卓越,为机械设备的高效、稳定运行保驾护航它虽小,却是工业革命的基石 机械的心脏,八零动力SKFV型圈密封品种全,价格优,质量有保证!

用户关注最多的SKF轴承型号

SKF23140CCK/W33* SKF24134CCK30/W33+AH24134* SKF29232 SKF3303A-Z SKF5306A-2Z* SKF7000AC SKF7014CE/P4A SKFCR11366 SKFCR18X35X6HMSA7P2R SKFCR48X70X9CRSA1R SKFFNL509A SKFFYRP1.7/16H SKFNK29/30 SKFNU29/630ECMA SKFUELFU208

CR407403V型圈密封近似的SKF轴承型号

SKFCR407403 SKFCR407303 SKFCR407500

用户关注最多的轴承狗热门型号

INA  NKIB5907 LYC  NJ 422 M INA  KB50-PP SNR  6202-RS SKF  SYFL35TR/VE495 SKF  7219B/DF SKF  7315BECBP NTN  6302LLH 国产  K31*41*22 STEYR  NUP314 FAG  SNV100-L + 2309-K-TVH-C3 + H2309X107 + DHV609X107 TIMKEN  EE234160/234221D INA  NUKRE35 IKO  GE30ES-2RS IKO  CR26BR

版权所有©2009-2015 轴承狗zcgou.com ICP备案:津ICP备14004550号-13