SKFCR405503轴承详细参数

发布时间:2026-04-14
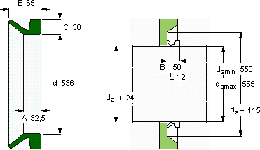
V形环密封件, VR4 设计
V形环密封件
da d A B C
最小 最大
mm mm - - - -
55055553632,56530VR4RCR 405503405503

SKFCR405503V型圈密封供应商

八零动力专业销售CR405503V型圈密封,库存SKFCR405503大量现货,与SKF合作,咨询热线:022-58519723业务咨询
SKFCR405503卓越的性能表现,使这款轴承在市场上拥有良好的口碑轴承的精度和稳定性都达到了行业顶尖水平是您成功路上的得力助手,卓越的设计和可靠的性能,是这款轴承的两大亮点它的耐用性,让人惊叹不已 它的可靠性,赢得了无数工程师的信任 ,八零动力SKFV型圈密封品种全,价格优,质量有保证!

用户关注最多的SKF轴承型号

SKF248/1500CAFA/W20 SKF248/900CAMA/W20 SKF6013-2Z* SKF81207 SKFCR19737 SKFCR26177 SKFFSAF22515x2.3/8 SKFFYRP1.11/16 SKFN07 SKFNU2308ECKML* SKFNU311ECML* SKFPDRJ320 SKFRN-4x13.8BF/G2 SKFSAFC2507 SKFSNP3260x10.15/16

CR405503V型圈密封近似的SKF轴承型号

SKFCR405503 SKFCR405502 SKFCR405504

用户关注最多的轴承狗热门型号

TIMKEN  70BIH309 SKF  313555C/VJ202 SKF  6007-RS LYC  61121 X3M/YB2 INA  RUE65-E 国产  3209ANRTN1 INA  NK24/20 SKF  22240CCK/W33+H3140 SKF  N026 LYC  22344 K/W33 FAG  SNV130-L + 2312-K-TVH-C3 + H2312 + DHV612 NTN  6317-2Z TIMKEN  EE420801/421451CD/X3S-420801 Stieber  CSK17P IKO  CRWM4-480

版权所有©2009-2015 轴承狗zcgou.com ICP备案:津ICP备14004550号-13