SKFCR405006轴承详细参数

发布时间:2026-05-30
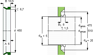
V形环密封件, VR3 设计
V形环密封件
da d A B C
最小 最大
mm mm - - - -
475510450610,56,7VR3VCR 405006405006

SKFCR405006V型圈密封供应商

八零动力专业销售CR405006V型圈密封,库存SKFCR405006大量现货,与SKF合作,咨询热线:022-58519723业务咨询
SKFCR405006成就非凡转动体验让您的设备一顺到底,它在矿山设备中的应用,确保了设备的高负载能力 优秀的设计理念和精湛的制造工艺,成就了这款杰出的轴承这轴承的稳定性极佳,即使在恶劣环境下也能正常工作它的滚动体与沟槽的配合,堪称完美 轴承的耐用性强,减少了设备的停机维护时间,八零动力SKFV型圈密封品种全,价格优,质量有保证!

用户关注最多的SKF轴承型号

SKF230/750CAK/W33+OH30/750H* SKF23168-2CS5/VT143* SKF239/500CA/W33 SKF24176ECAK30/W33* SKF7002CD/HCP4A SKF7320BECBP SKFCR86840 SKFCR90070 SKFNJ2319E SKFNNCF4868CV SKFNNU4126M/W33 SKFOKCX170 SKFSAF23036KAx6.5/16 SKFTVN309WA SKFWS81280

CR405006V型圈密封近似的SKF轴承型号

SKFCR405006 SKFCR405004 SKFCR4050560

用户关注最多的轴承狗热门型号

国产  UCFLU306 国产  23152/W33 FAG  SNV140-L + 22216-E1-K + H316X214 + TCV516X214 KOYO  62/32-2RS SKF  230/500CACK/W33 BARDEN  71936C/DT KOYO  23032CC/W33 NACHI  7222BDB LYC  23064 K/C3 FAG  BND2215-H-C-T-AF-S SKF  CR1169110 BARDEN  71932C/DB LYC  24032 C/C3 NSK  639 国产  605-2RS

版权所有©2009-2015 轴承狗zcgou.com ICP备案:津ICP备14004550号-13