SKFCR404503轴承详细参数

发布时间:2026-05-30
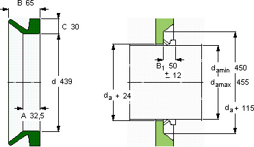
V形环密封件, VR4 设计
V形环密封件
da d A B C
最小 最大
mm mm - - - -
45045543932,56530VR4RCR 404503404503

SKFCR404503V型圈密封供应商

八零动力专业销售CR404503V型圈密封,库存SKFCR404503大量现货,与SKF合作,咨询热线:022-58519723业务咨询
SKFCR404503为您的机械注入强大动力,它的抗疲劳性能,确保了长期使用的可靠性 设计独特、性能优越的轴承,满足了不同用户的需求它在家用电器中的应用,让生活更加便捷 它的沟槽设计,完美匹配滚动体的运动轨迹 先进的制造技术,让这款轴承的质量达到了行业领先水平,八零动力SKFV型圈密封品种全,价格优,质量有保证!

用户关注最多的SKF轴承型号

SKF2219KM SKF53312 SKF6305-2Z/VA228 SKF7204BEP SKFBT4B328285 SKFBT4B328564/HA4 SKFC3132MB* SKFFBSA209/DF SKFGS81106 SKFHMV170E SKFN2317 SKFNCF30/500CV SKFCR 85629 SKFQJ312 SKFRLS11

CR404503V型圈密封近似的SKF轴承型号

SKFCR404503 SKFCR404502 SKFCR404504

用户关注最多的轴承狗热门型号

SKF  SY15/16RM 国产  6302/MT FAG  7316-B-TVP SKF  NU1019ML SKF  GE180TXG3A-2LS SKF  16024 SKF  UCP218 TIMKEN  EE470073/470130 SYEYR  NU2309 FLT  NJ2310 国产  NKIB5901 NTN  7226B BARDEN  7244C/DT FAG  BND3132-Z-T-BL-S IKO  CH36VBUU

版权所有©2009-2015 轴承狗zcgou.com ICP备案:津ICP备14004550号-13