SKFCR402004轴承详细参数

发布时间:2026-05-30
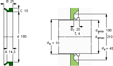
V形环密封件, VR1 设计
V形环密封件
da d A B C
最小 最大
mm mm - - - -
19021018014,32515VR1VCR 402004402004

SKFCR402004V型圈密封供应商

八零动力专业销售CR402004V型圈密封,库存SKFCR402004大量现货,与SKF合作,咨询热线:022-58519723业务咨询
SKFCR402004它在冶金设备中的应用,确保了设备的高温性能 质量无可比拟的轴承,在行业内树立了良好的品质标杆它的精密性,让它在高精度设备中无可替代 卓越的性能表现,让这款轴承在市场上脱颖而出先进的制造技术,让这款轴承的质量达到了行业领先水平它的润滑技术,让摩擦降至最低 ,八零动力SKFV型圈密封品种全,价格优,质量有保证!

用户关注最多的SKF轴承型号

SKF6215DDU SKF81260M SKFCR203x254x15.88CRWH1R SKFCR36X52X7HMS5V SKFCR524372 SKFNF208ECP* SKFNU2205ECP SKFOH30/500H SKFRIS206A SKFS7020DB/P7 SKFSC7024DB/P7 SKFW637/2 SKFYAR208-107-2F/AH SKFYET203-008 SKFZ213

CR402004V型圈密封近似的SKF轴承型号

SKFCR402004 SKFCR402002 SKFCR402006

用户关注最多的轴承狗热门型号

NSK  7904CDF STEYR  NUP305 MRC  6013 SKF  CR19782 NACHI  7010CDB SKF  CR29316 NTN  NU236 KOYO  54234U FLT  N334 INA  RNA4902-2RSR SKF  24128CCK30/W33+AH24128* RHP  7309B NSK  686ADD NSK  NF336M IKO  LWE15...SL.../U

版权所有©2009-2015 轴承狗zcgou.com ICP备案:津ICP备14004550号-13