SKFCR401805轴承详细参数

发布时间:2026-04-14
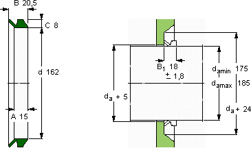
V形环密封件, VR2 设计
V形环密封件
da d A B C
最小 最大
mm mm - - - -
1751851621520,58VR2VCR 401805401805

SKFCR401805V型圈密封供应商

八零动力专业销售CR401805V型圈密封,库存SKFCR401805大量现货,与SKF合作,咨询热线:022-58519723业务咨询
SKFCR401805这轴承的制造工艺精湛,展现出了极高的工业水准制造工艺精湛,使得这款轴承的精度和稳定性都非常出色轴承的耐用性超乎想象,有效降低了设备的维护成本设计合理、性能优良的它,是机械设备稳定运行的重要保障先进的生产工艺,让这款轴承的性能得到了极大提升它的轻量化设计,减少了材料的使用 ,八零动力SKFV型圈密封品种全,价格优,质量有保证!

用户关注最多的SKF轴承型号

SKF22207CCK/W33 SKF292/560 SKF7311BEGAP* SKF7317B SKFBT4B328282/HA1 SKFCR35x56x8CRW1V SKFCR360x400x17HDS2R SKFCR40078 SKFFT13/16FM SKFHM88542/2/510/2/QCL7C SKFIR30x38x20IS1 SKFNN3019KTN9/SP SKFNNU4938BK/SPW33 SKFQJ215N2PHAS* SKFS71920CD/P4A

CR401805V型圈密封近似的SKF轴承型号

SKFCR401805 SKFCR401804 SKFCR401806

用户关注最多的轴承狗热门型号

TIMKEN  220FSH340-TT 国产  7220ACM KOYO  23056CAC/W33 LYC  30305/P5 NTN  UC312 NTN  7218C SKF  QJ307N2MA SKF  32311BJ2/QCL7C INA  TSWWA16 KOYO  23236RHAK+AH3236 FAG  20312-K-TVP-C3 NSK  UCFL208D1 NSK  HR32312J IKO  NART8UUR IKO  MAGT4

版权所有©2009-2015 轴承狗zcgou.com ICP备案:津ICP备14004550号-13