SKFCR401600轴承详细参数

发布时间:2026-04-15
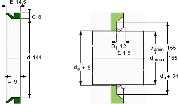
V形环密封件, VR1 设计
V形环密封件
da d A B C
最小 最大
mm mm - - - -
155165144914,58VR1RCR 401600401600

SKFCR401600V型圈密封供应商

八零动力专业销售CR401600V型圈密封,库存SKFCR401600大量现货,与SKF合作,咨询热线:022-58519723业务咨询
SKFCR401600它的长寿命,减少了更换频率 承载重载历经岁月不得不说,这款轴承的品质过硬,在行业内堪称典范,这轴承的选材讲究,坚固耐用,寿命远超同类产品该轴承的性能优越,极大地提高了设备的工作效率这款轴承的精度极高,能够满足对精度要求苛刻的设备,八零动力SKFV型圈密封品种全,价格优,质量有保证!

用户关注最多的SKF轴承型号

SKF23134CC/W33* SKF32314 SKF619/9-2Z SKF7022AC/DB SKF7032ACD/P4A SKF71918ACE/P4A SKF7411BM SKFBK2516 SKFCR13839 SKFCR41833 SKFCR99836 SKFFY1.15/16WF SKFNKI17/16 SKFNNCL4856CV SKFSDAF22236

CR401600V型圈密封近似的SKF轴承型号

SKFCR401600 SKFCR40158 SKFCR401601

用户关注最多的轴承狗热门型号

MRC  7316B/DF NTN  N208 TORRINGTON FAFNIR  7230C FAG  SNV270-L + 222S.503 + DHV530X503 SKF  6205-2RSL GMN  7218C INA  E25-KLL SKF  BT4-8015G/HA1 SKF  22226CC/W33 LYC  31314/YB2 SKF  CR1900563 KOYO  46T32215JR/61.5 SKF  2207E-2RS1KTN9+H307C SKF  RN-3.5x17.8BF/G2 MAC  NU417

版权所有©2009-2015 轴承狗zcgou.com ICP备案:津ICP备14004550号-13