SKFCR401504轴承详细参数

发布时间:2026-04-15
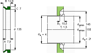
V形环密封件, VR1 设计
V形环密封件
da d A B C
最小 最大
mm mm - - - -
1451551357,912,87VR1VCR 401504401504

SKFCR401504V型圈密封供应商

八零动力专业销售CR401504V型圈密封,库存SKFCR401504大量现货,与SKF合作,咨询热线:022-58519723业务咨询
SKFCR401504它的故障率极低,确保了设备的稳定运行 从制造工艺到实际性能,这款轴承都表现得十分出色,轴承的选材优质,确保了其在各种环境下都能稳定工作我们的轴承卓越的性能转动不停歇质量上乘的轴承,为设备的高效稳定运行奠定了基础,八零动力SKFV型圈密封品种全,价格优,质量有保证!

用户关注最多的SKF轴承型号

SKF231/670CA/W33 SKF240/750ECA/W33* SKF2x7320BECBY SKF32305J2 SKF51188 SKF6013NR* SKFBTM65B/P4CDBB SKFCR23755 SKFCR27272 SKFCR30X47X7HMS5V SKFCR3675557 SKFCR405603 SKFCR65x120x8CRW1R SKFSAF22217 SKFSYE2.11/16H-3

CR401504V型圈密封近似的SKF轴承型号

SKFCR401504 SKFCR401502 SKFCR401505

用户关注最多的轴承狗热门型号

SNR  7302C TIMKEN  240/800YMD STEYR  6315 SKF  NU2032ECMA FAG  NJ2232-E-M1 + HJ2232E ASK  NU407 TIMKEN  26131/26284D+X1S-26131 INA  IR7X10X12 NACHI  51102 SKF  NNC4968CV TIMKEN  387/384ED SKF  CR39350 TIMKEN  38KL TIMKEN  SM1307KB Stieber  DC8729A-N

版权所有©2009-2015 轴承狗zcgou.com ICP备案:津ICP备14004550号-13