SKFCR401105轴承详细参数

发布时间:2026-04-15
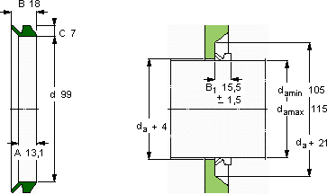
V形环密封件, VR2 设计
V形环密封件
da d A B C
最小 最大
mm mm - - - -
1051159913,1187VR2VCR 401105401105

SKFCR401105V型圈密封供应商

八零动力专业销售CR401105V型圈密封,库存SKFCR401105大量现货,与SKF合作,咨询热线:022-58519723业务咨询
SKFCR401105它的沟槽设计,完美匹配滚动体的运动轨迹 稳定旋转的核心力量轴承的稳定性和可靠性都十分出色,赢得了用户的信赖它在机器人领域的应用,展现了它的高精密性 它的故障率极低,确保了设备的稳定运行 品质卓越的它,为机械设备的稳定、高效运行提供了支持,八零动力SKFV型圈密封品种全,价格优,质量有保证!

用户关注最多的SKF轴承型号

SKF21315EK+AH315G* SKF32324 SKF3302A-2ZTN9/MT33 SKF619/710MA SKF7012C/DB SKF7306BEGBP* SKFBT4B331065AG/HA4 SKFCR13419 SKFEEB2-2Z SKFGE8E SKFGS89312 SKFIR10x13x12.5 SKFRN-3.5x21.8BF/G2 SKFSNL505 SKFZ305

CR401105V型圈密封近似的SKF轴承型号

SKFCR401105 SKFCR400x450x17.5HDS2R SKFCR4012

用户关注最多的轴承狗热门型号

FAG  HC71906-E-T-P4S SNR  7018C TIMKEN  483/472DC+X3S-477 TIMKEN  20FS35 MAC  NU1060 SKF  CR6X16X5HMSA10RG BARDEN  71915C/DT SKF  BFSD353903/HA4 TIMKEN  280RT91 INA  KGNOS40-C-PP-AS NSK  RCB-081214 RHP  624 LYC  380688 X2/C2 TORRINGTON FAFNIR  6005-RS NACHI  N1028

版权所有©2009-2015 轴承狗zcgou.com ICP备案:津ICP备14004550号-13