SKFCR400955轴承详细参数

发布时间:2026-04-14
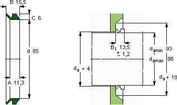
V形环密封件, VR2 设计
V形环密封件
da d A B C
最小 最大
mm mm - - - -
93988511,315,56VR2VCR 400955400955

SKFCR400955V型圈密封供应商

八零动力专业销售CR400955V型圈密封,库存SKFCR400955大量现货,与SKF合作,咨询热线:022-58519723业务咨询
SKFCR400955制造工艺精湛,使得这款轴承的精度、稳定性和耐用性都非常出色是您成功路上的得力助手,轴承的耐用性极佳,为设备的长期稳定运行提供了保障为您的工程保驾护航,运转起来如此顺滑,这款轴承的制造工艺着实令人赞叹坚固的结构稳定的性能,八零动力SKFV型圈密封品种全,价格优,质量有保证!

用户关注最多的SKF轴承型号

SKF1307 SKF22330CCJA/W33VA405* SKF2x7311BECBY SKF61928MA SKF7019ACE/HCP4A SKF7207AC/DB SKF7215C/DT SKFBMB-6202/032S2/EA002A SKFBS2-2218-2CSK/VT143* SKFCR140x160x12CRW1R SKFCR180X210X15HMS5RG SKFCR405000 SKFFYR1.1/2-3 SKFNNC4876CV SKFOKCX170

CR400955V型圈密封近似的SKF轴承型号

SKFCR400955 SKFCR400954 SKFCR400x440x20HDS1R

用户关注最多的轴承狗热门型号

SKF  SIKB20F LYC  30312 RX1 FLT  NJ224 SKF  MS3192-88 STEYR  2219 STEYR  NJ2210 SNR  6004 INA  KSO25 NSK  51416 RHP  71913AC TIMKEN  5577/5535 FAG  BND2276-H-C-T-BL-S MRC  7310B/DF TORRINGTON FAFNIR  3210A IKO  BRI223520UU

版权所有©2009-2015 轴承狗zcgou.com ICP备案:津ICP备14004550号-13