SKFCR400901轴承详细参数

发布时间:2026-04-14
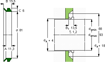
V形环密封件, VR2 设计
V形环密封件
da d A B C
最小 最大
mm mm - - - -
88938111,315,56VR2RCR 400901400901

SKFCR400901V型圈密封供应商

八零动力专业销售CR400901V型圈密封,库存SKFCR400901大量现货,与SKF合作,咨询热线:022-58519723业务咨询
SKFCR400901制造工艺精湛,使得这款轴承的精度、稳定性和耐用性都非常出色它的旋转精度,让高速运转成为现实 它在医疗设备中的应用,确保了设备的稳定性 高品质的轴承,在各种复杂环境下都能稳定发挥作用品质卓越的它,在各种工况下都能展现出优异的性能设计独特的轴承,不仅性能优越,还具有很高的性价比,八零动力SKFV型圈密封品种全,价格优,质量有保证!

用户关注最多的SKF轴承型号

SKF1311ETN9 SKF16076MA SKF22216EK+AH316* SKF7000C/DB SKF7205BECBY SKF7206B/DT SKF7211CD/P4A SKF7336B/DB SKFBS2B242989 SKFC71911FB/P7 SKFCR68x88x8CRW1R SKFHA316E SKFN317ECM* SKFPCM556030M SKFWS89420

CR400901V型圈密封近似的SKF轴承型号

SKFCR400901 SKFCR400900 SKFCR400904

用户关注最多的轴承狗热门型号

SKF  NCF18/1000V ASAHI  UCFC210 RHP  NU232 FAG  F522-B-L + 20222-K-MB-C3 SKF  CR140X170X12HMSA10RG NTN  NF321 FAG  SNV170-L + 2219-K-M-C3 + H319X306 + DHV519 SKF  7219AC SKF  CR99233 STEYR  NJ408 SKF  61817-2RS GMN  7218AC/DB LYC  6206 E-RZ/P6 国产  23022C LYC  22213 C/C5

版权所有©2009-2015 轴承狗zcgou.com ICP备案:津ICP备14004550号-13