SKFCR400801轴承详细参数

发布时间:2026-04-26
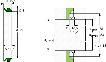
V形环密封件, VR2 设计
V形环密封件
da d A B C
最小 最大
mm mm - - - -
78837211,315,56VR2RCR 400801400801

SKFCR400801V型圈密封供应商

八零动力专业销售CR400801V型圈密封,库存SKFCR400801大量现货,与SKF合作,咨询热线:022-58519723业务咨询
SKFCR400801轴承的耐用性出色,能够长时间保持良好的工作状态它的抗磨损涂层,让它更加耐用 制造工艺精湛,使得这款轴承的精度和稳定性都非常出色性能优越的轴承,极大地提高了设备的工作效率和稳定性它的制造工艺,堪称工业艺术的典范 该轴承的性能优越,极大地提高了设备的工作效率,八零动力SKFV型圈密封品种全,价格优,质量有保证!

用户关注最多的SKF轴承型号

SKF207-Z SKF23060CC/W33 SKF29488 SKF315523 SKF3308A-2RS SKF33118/Q SKF627-RS SKF6310* SKF71900C/DT SKFBT4-8002G/HA1 SKFCR3680 SKFFY13/16TF SKFFYTJ25TF SKFH309C SKFP52R-20WF

CR400801V型圈密封近似的SKF轴承型号

SKFCR400801 SKFCR400800 SKFCR400804

用户关注最多的轴承狗热门型号

NSK  7315BYDB FAG  SNV080-L + 2307-K-TVH-C3 + H2307 + DH607 FAG  BND2248-Z-T-BL-S INA  PAP7040-P14 SNR  7222AC/DB NTN  2211K+H311 SNR  7304AC/DT ASK  NUP236 NACHI  E32018J FAG  KUG95,25 FAG  BND3122-Z-T-BF-S KOYO  JM714249/10 MRC  7209AC/DF LYC  16004 E FAG  B7024-C-T-P4S

版权所有©2009-2015 轴承狗zcgou.com ICP备案:津ICP备14004550号-13