SKFCR400605轴承详细参数

发布时间:2026-04-14
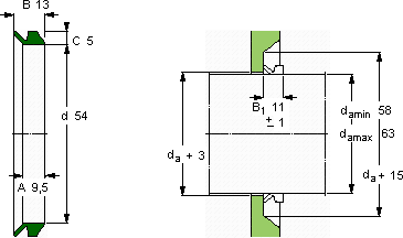
V形环密封件, VR2 设计
V形环密封件
da d A B C
最小 最大
mm mm - - - -
5863549,5135VR2VCR 400605400605

SKFCR400605V型圈密封供应商

八零动力专业销售CR400605V型圈密封,库存SKFCR400605大量现货,与SKF合作,咨询热线:022-58519723业务咨询
SKFCR400605它的高效率,让机械运转更加节能 轴承的稳定性和可靠性表现卓越,赢得了广泛赞誉它的质量可靠,是众多机械设备制造商的首选配件这轴承的选材讲究,坚固耐用,寿命远超同类产品顺滑无声是您成功路上的得力助手,,八零动力SKFV型圈密封品种全,价格优,质量有保证!

用户关注最多的SKF轴承型号

SKF29418E* SKF33212/Q SKF594/592A/Q SKF7014FB/P7 SKFCR1075230 SKFCR12428 SKFCR99687 SKFIR22x28x20.5 SKFN1019KTN9/SP SKFNKXR30 SKFNUP2220ECML* SKFOKBS76 SKFPCM202325M SKFSAL80TXE-2LS SKFSI40TXE-2LS

CR400605V型圈密封近似的SKF轴承型号

SKFCR400605 SKFCR400604 SKFCR400650

用户关注最多的轴承狗热门型号

SKF  CR416000 INA  NKI38/30 BARDEN  7018AC/DB 国产  23184/W33 KOYO  24056RHAK30+AH24056 KOYO  NJ2209+HJ2209 TIMKEN  AOH24084 NACHI  6318ZZ KOYO  HM261049D/010/010D TORRINGTON FAFNIR  7200C STEYR  7328B/DF RIV  NJ306 NACHI  7007CDT IKO  TLA3520Z IKO  BAM128

版权所有©2009-2015 轴承狗zcgou.com ICP备案:津ICP备14004550号-13