SKFCR400551轴承详细参数

发布时间:2026-05-30
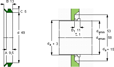
V形环密封件, VR2 设计
V形环密封件
da d A B C
最小 最大
mm mm - - - -
5358499,5135VR2RCR 400551400551

SKFCR400551V型圈密封供应商

八零动力专业销售CR400551V型圈密封,库存SKFCR400551大量现货,与SKF合作,咨询热线:022-58519723业务咨询
SKFCR400551没有轴承,现代机械将寸步难行,它的径向跳动控制,达到了行业顶尖水平 它的承载能力,堪称机械界的“大力士” 它的润滑技术,减少了摩擦和磨损 它的低噪音设计,减少了对环境的噪音污染 轴承的耐用性极佳,能够承受高强度的工作负荷,八零动力SKFV型圈密封品种全,价格优,质量有保证!

用户关注最多的SKF轴承型号

SKF16009/HR22T2 SKF2219KM+H319 SKF2x71976ACGAMB SKF358X/354X/Q SKFBA1B307740 SKFBC2B319584/HA1 SKFBEAS015045-2Z SKFCR28X38X8HMS5V SKFCR85191 SKFCR77506 SKFFY7/8WF SKFHA2332 SKFNF18/500ECM SKFNUP2304E SKFP80R-1.1/4TR

CR400551V型圈密封近似的SKF轴承型号

SKFCR400551 SKFCR400550 SKFCR400554

用户关注最多的轴承狗热门型号

SKF  SAW23536 FAG  HS71904-E-T-P4S NACHI  6312-2NSE FAG  BND3152-H-C-Y-BL-S SKF  NN3030K/SPW33 BARDEN  7210C/DF LYC  6308 E-2RS/C5Z1 FYH  UB207 NACHI  NU1016 SKF  CR34X62X10HMSA10V TIMKEN  K15X19X13 SKF  21322CC RIV  NJ2318 NSK  6212NR SKF  33112

版权所有©2009-2015 轴承狗zcgou.com ICP备案:津ICP备14004550号-13