SKFCR400451轴承详细参数

发布时间:2026-05-30
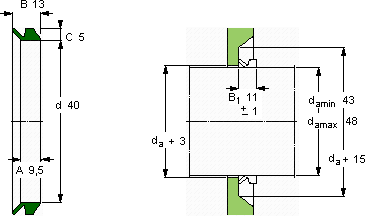
V形环密封件, VR2 设计
V形环密封件
da d A B C
最小 最大
mm mm - - - -
4348409,5135VR2RCR 400451400451

SKFCR400451V型圈密封供应商

八零动力专业销售CR400451V型圈密封,库存SKFCR400451大量现货,与SKF合作,咨询热线:022-58519723业务咨询
SKFCR400451轴承的性能可靠,为机械设备的稳定运行立下汗马功劳制造工艺精湛,使得这款轴承在运转时更加顺畅平稳旋转不息引领行业速度,我们的轴承始终稳如磐石为设备的精确运行提供了保障,该轴承的精度控制精准,为设备的精确运行提供了保障先进的制造技术和严格的质量检测,造就了这款优质轴承,八零动力SKFV型圈密封品种全,价格优,质量有保证!

用户关注最多的SKF轴承型号

SKF315869A SKF7009ACD/HCP4A SKF71803CD/HCP4A SKF71913CE/P4A SKF71913CD/HCP4A SKF7201ACD/P4A SKFBT4B331189E/C600* SKFC7014FB/P7 SKFCR41305 SKFCR52X72X8HMSA10RG SKFLM241147/110/QVQ051 SKFM75x2 SKFN1008KTNHA/HC5SP SKFNK80/25 SKFPFD25TR

CR400451V型圈密封近似的SKF轴承型号

SKFCR400451 SKFCR400450 SKFCR400454

用户关注最多的轴承狗热门型号

TIMKEN  160RN91 FAG  HCS7019-E-T-P4S NSK  7222A NACHI  21306E SKF  RMS36 LYC  7015 AC/P5DBB LYC  30203/02 NACHI  6317NR TORRINGTON&FAFNIR  6207-RS RHP  6014-2Z INA  KTXO10-PP INA  KWVE30-B-KT-S LYC  7020 ACM/P6 TIMKEN  S7K SKF  BT4B332981/HA4

版权所有©2009-2015 轴承狗zcgou.com ICP备案:津ICP备14004550号-13