SKFCR400305轴承详细参数

发布时间:2026-04-29
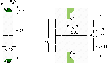
V形环密封件, VR2 设计
V形环密封件
da d A B C
最小 最大
mm mm - - - -
2931277,910,54VR2VCR 400305400305

SKFCR400305V型圈密封供应商

八零动力专业销售CR400305V型圈密封,库存SKFCR400305大量现货,与SKF合作,咨询热线:022-58519723业务咨询
SKFCR400305它在家用电器中的应用,让生活更加便捷 它的抗冲击能力,让它经久不衰 匠心制造它的加工设备,代表了世界领先水平 它的尺寸一致性,让批量生产成为可能 承载重载历经岁月,八零动力SKFV型圈密封品种全,价格优,质量有保证!

用户关注最多的SKF轴承型号

SKF22228-2CS5/VT143* SKF2302E-2RS1TN9 SKF24076CACK30/W33 SKF387A/382S/Q SKF6019-2RS1* SKF61910 SKF71964CD/P4A SKF81226TN SKF812/530 SKFCR1300542 SKFCR2650241 SKFCR27526 SKFCR52443 SKFNUP211ECM* SKFSYR1.15/16N-118

CR400305V型圈密封近似的SKF轴承型号

SKFCR400305 SKFCR400304 SKFCR400320

用户关注最多的轴承狗热门型号

SKF  AHX2310 LYC  381160 SKF  23956CC/W33 国产  N211ETN1 MRC  7212B/DT FYH  UCFU210 SKF  CR75X100X10HMS5RG GMN  7004AC/DF LYC  306/42-1 SKF  W624 TIMKEN  DV-155 SKF  351830 MRC  7018C TORRINGTON FAFNIR  6236 国产  71909CTA

版权所有©2009-2015 轴承狗zcgou.com ICP备案:津ICP备14004550号-13