SKFCR400185轴承详细参数

发布时间:2026-04-14
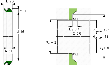
V形环密封件, VR2 设计
V形环密封件
da d A B C
最小 最大
mm mm - - - -
17,519165,67,73VR2VCR 400185400185

SKFCR400185V型圈密封供应商

八零动力专业销售CR400185V型圈密封,库存SKFCR400185大量现货,与SKF合作,咨询热线:022-58519723业务咨询
SKFCR400185这款轴承的精度极高,能够满足对精度要求苛刻的设备设计合理、性能优良的它,是机械设备实现高效运行的重要保障它的质量可靠,是众多机械设备制造商的首选配件轴承的性能可靠,为机械设备的稳定运行立下汗马功劳这款轴承的运转平稳,几乎听不到任何噪音,令人惊艳这轴承的稳定性极佳,即使在恶劣环境下也能正常工作,八零动力SKFV型圈密封品种全,价格优,质量有保证!

用户关注最多的SKF轴承型号

SKF22222E* SKF24044CCK30/W33 SKF29418 SKF2x7205BECBY SKF32234J2 SKF3302A-2Z SKF4213ATN9 SKF6200N* SKF7234B/DB SKFC31/530KM+AOH31/530* SKFC4130K30V* SKFCR99351 SKFK10x13x16TN SKFNUP212ECML* SKFSNW22x3.11/16

CR400185V型圈密封近似的SKF轴承型号

SKFCR400185 SKFCR400184 SKFCR40020

用户关注最多的轴承狗热门型号

INA  GIR20-UK SKF  2208ETN9 TORRINGTON FAFNIR  6209-ZN SNR  7318AC NSK  CM-UCF208-108D1 FAG  23130-E1-K-TVPB KOYO  4205 SKF  7214BECBP NTN  NJ421+HJ421 NTN  7934DB TIMKEN  80BIC359 NSK  7211BDF NSK  NUP2311ET SKF  294/950EF IKO  TLA1212Z

版权所有©2009-2015 轴承狗zcgou.com ICP备案:津ICP备14004550号-13