SKFCR400181轴承详细参数

发布时间:2026-04-14
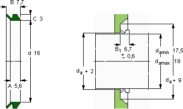
V形环密封件, VR2 设计
V形环密封件
da d A B C
最小 最大
mm mm - - - -
17,519165,67,73VR2RCR 400181400181

SKFCR400181V型圈密封供应商

八零动力专业销售CR400181V型圈密封,库存SKFCR400181大量现货,与SKF合作,咨询热线:022-58519723业务咨询
SKFCR400181高精度的轴承,为设备的稳定运行提供了坚实保障它的高可靠性,减少了设备停机时间 畅享稳定顺滑的旋转之旅,它的低摩擦设计,减少了能量损耗 它的滚动体与沟槽的配合,堪称完美 它在冶金设备中的应用,确保了设备的高温性能 ,八零动力SKFV型圈密封品种全,价格优,质量有保证!

用户关注最多的SKF轴承型号

SKF1726305-2RS1 SKF208-ZNR SKF6220-2Z/VA208 SKF61805-2RZ SKF6407 SKF71828ACD/P4 SKF7340B SKFCR23X40X10HMS5RG SKFCR25X62X8HMS5V SKFCR34115 SKFCR36880 SKFCR47X65X10HMSA10RG SKFHMV23E SKFW6203-2RS1 SKFWS81240

CR400181V型圈密封近似的SKF轴承型号

SKFCR400181 SKFCR400180 SKFCR400184

用户关注最多的轴承狗热门型号

SKF  CR34X47X9CRS11R TIMKEN  52401/52618 NSK  240/750CAK30E4 NTN  23176CAC/W33 LYC  NUP 417 Q1/C4S0 LYC  24160 C/C3 TIMKEN  K25X30X13 GMN  7015C/DF SKF  K240x250x42 NACHI  7215DT SKF  BTM60B/HCP4CDBB NSK  6319ZZ SKF  NJ320E+HJ320E FAG  S3052-H-N-FZ-BL-L + 23052-K-MB SKF  RNU305

版权所有©2009-2015 轴承狗zcgou.com ICP备案:津ICP备14004550号-13