SKFCR400130轴承详细参数

发布时间:2026-05-30
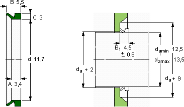
V形环密封件, VR1 设计
V形环密封件
da d A B C
最小 最大
mm mm - - - -
12,513,511,73,45,53VR1RCR 400130400130

SKFCR400130V型圈密封供应商

八零动力专业销售CR400130V型圈密封,库存SKFCR400130大量现货,与SKF合作,咨询热线:022-58519723业务咨询
SKFCR400130质量无可挑剔的轴承,为设备的高效运作提供了有力支持性能卓越的它,为机械设备的稳定运行提供了可靠保障它在航空航天领域的应用,展现了它的高可靠性 优秀的设计理念和精湛的制造工艺,成就了这款优秀的轴承高品质的轴承,在各种复杂环境下都能稳定发挥作用它的抗剪切性能,确保了它的结构稳定性 ,八零动力SKFV型圈密封品种全,价格优,质量有保证!

用户关注最多的SKF轴承型号

SKF23172CACK/W33 SKF52212 SKF811/630M SKFBTW180CM/SP SKFC30/1000MB* SKFCR15655 SKFCR45X58X7HMS5RG SKFCR48X72X7HMS5RG SKFCR60650 SKFGEH25ES-2RS SKFNJ324E+HJ324E SKFNJG2307VH SKFPCM606520E SKFRNA6919 SKFTUL35TR/VE495

CR400130V型圈密封近似的SKF轴承型号

SKFCR400130 SKFCR400125 SKFCR400134

用户关注最多的轴承狗热门型号

国产  22311C KOYO  6209NR NTN  22320CCK/W33+H2320 NTN  6026NR LYC  FCDP 126180670 FAG  BND3268-Z-T-BL-S SKF  21317EK+H317* TORRINGTON FAFNIR  6216-2Z TIMKEN  29488 TIMKEN  170RF03 国产  NU1005M NSK  70BNR10XE SKF  7030C/DF TORRINGTON  23248CCK/W33 国产  NUP2213EN

版权所有©2009-2015 轴承狗zcgou.com ICP备案:津ICP备14004550号-13