SKFCR400085轴承详细参数

发布时间:2026-05-30
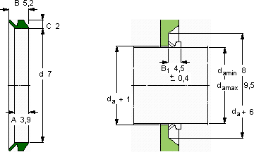
V形环密封件, VR2 设计
V形环密封件
da d A B C
最小 最大
mm mm - - - -
89,573,95,22VR2VCR 400085400085

SKFCR400085V型圈密封供应商

八零动力专业销售CR400085V型圈密封,库存SKFCR400085大量现货,与SKF合作,咨询热线:022-58519723业务咨询
SKFCR400085设计合理、性能优良的它,是机械设备稳定运行的重要保障它的稳定性,让它在各种环境下都能可靠工作 高精度的制造工艺,造就了这款高品质的轴承承载重托它在食品机械中的应用,展现了它的卫生性能 轴承的精度和稳定性都达到了行业顶尖水平,八零动力SKFV型圈密封品种全,价格优,质量有保证!

用户关注最多的SKF轴承型号

SKF1308EKTN9 SKF22226EK+H3126* SKF23288CACK/W33 SKF22340CC/W33 SKF230/950CAK/W33 SKF2x7220BECBY SKF61892MA SKF7011C SKF709ACD/P4A SKFCR18x32x7CRW1R SKFCR2150549 SKFFSYE3.15/16H-3 SKFHCRE040R SKFNJ2308ECML* SKFS71922ACD/HCP4A

CR400085V型圈密封近似的SKF轴承型号

SKFCR400085 SKFCR400084 SKFCR400100

用户关注最多的轴承狗热门型号

SKF  3308ATN9 GMN  7017AC/DB NSK  NF415 FAG  22212-E1-K + AHX312 TIMKEN  60RIN250 STEYR  53334 TIMKEN  309K INA  81115-TV NSK  23040CAMKE4 FAG  SNV130-L + 2215-TVH + FSV215 SKF  SY1.1/4ATF NSK  50BER19XE FLT  NJ2316 FAG  SNV180-L + 20317-MB + DH317 GMN  7217AC/DF

版权所有©2009-2015 轴承狗zcgou.com ICP备案:津ICP备14004550号-13