SKFCR400081轴承详细参数

发布时间:2026-04-15
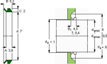
V形环密封件, VR2 设计
V形环密封件
da d A B C
最小 最大
mm mm - - - -
89,573,95,22VR2RCR 400081400081

SKFCR400081V型圈密封供应商

八零动力专业销售CR400081V型圈密封,库存SKFCR400081大量现货,与SKF合作,咨询热线:022-58519723业务咨询
SKFCR400081它的抗拉强度,让它经得起各种考验 它的抗冲击能力,让它经久不衰 轴承的稳定性和可靠性表现出色,赢得了用户的高度认可为您创造更多可能,它的表面硬化处理,延长了它的使用寿命 它的圆度误差几乎可以忽略不计 ,八零动力SKFV型圈密封品种全,价格优,质量有保证!

用户关注最多的SKF轴承型号

SKF30310J2/Q* SKF3307A-2RS1 SKF33116TN9/Q SKF619/4-2Z SKF7316BEP SKFCR38678 SKFCR400404 SKFCR75x115x12CRW1R SKFCR7X16X7HMS5V SKFHS306 SKFNCF2234V SKFNNU4924BK/SPW33 SKFNU256MA SKFSYNT90LTF SKFYAR207-2RF/VE495

CR400081V型圈密封近似的SKF轴承型号

SKFCR400081 SKFCR400080 SKFCR400084

用户关注最多的轴承狗热门型号

MAC  NJ2307 NTN  NJ2315E LYC  NUHJ 2232 WBY NSK  F636VV NSK  FCB-25 BARDEN  71914C KOYO  NJ2232E KOYO  7038AC/DT 国产  NATR5X 国产  6212-Z/Z3 SKF  CR525953 TIMKEN  497/493D+X3S-497 NSK  23060CAE4 LYC  22348/C2 IKO  CR20VBUU

版权所有©2009-2015 轴承狗zcgou.com ICP备案:津ICP备14004550号-13