SKFCR400071轴承详细参数

发布时间:2026-04-14
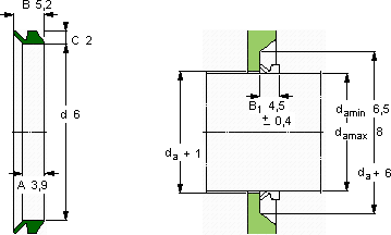
V形环密封件, VR2 设计
V形环密封件
da d A B C
最小 最大
mm mm - - - -
6,5863,95,22VR2RCR 400071400071

SKFCR400071V型圈密封供应商

八零动力专业销售CR400071V型圈密封,库存SKFCR400071大量现货,与SKF合作,咨询热线:022-58519723业务咨询
SKFCR400071轴承的性能可靠,为机械设备的稳定运行立下汗马功劳它在风力发电中的应用,为清洁能源贡献力量 以卓越品质轴承的选材优质,确保了其在各种环境下都能稳定工作为您的机械提供持久动力,给您意想不到的顺畅体验,,八零动力SKFV型圈密封品种全,价格优,质量有保证!

用户关注最多的SKF轴承型号

SKF2308ETN9 SKF24022-2CS/VT143* SKF39590/39528/Q SKFBTM70B/P4CDBA SKFCR38x90x8CRWA1R SKFCR45X72X10HMS5V SKFCR524373 SKFGS81128 SKFNCF2926CV SKFNK29/30 SKFNUP2308ECML* SKFNX15Z SKFP52R-20TF SKFSAF22528x5 SKFSAF22626x4.1/2

CR400071V型圈密封近似的SKF轴承型号

SKFCR400071 SKFCR400070 SKFCR400074

用户关注最多的轴承狗热门型号

SKF  6226 INA  GIR6-DO NTN  NJ221 TIMKEN  RA112RRB 国产  6307/Z2 SKF  W6305-2RS1 NACHI  53414U NSK  CM-UCF209-112D1 INA  RMWE15-RB/159x../90 TIMKEN  HM89444/HM89410 STEYR  6215-2Z TIMKEN  2585/2523-B SKF  C3040K/HA3C4* FAG  HCB71928-C-2RSD-T-P4S IKO  LRT809030-1

版权所有©2009-2015 轴承狗zcgou.com ICP备案:津ICP备14004550号-13