SKFCR400065轴承详细参数

发布时间:2026-05-30
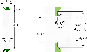
V形环密封件, VR2 设计
V形环密封件
da d A B C
最小 最大
mm mm - - - -
5,56,553,95,22VR2VCR 400065400065

SKFCR400065V型圈密封供应商

八零动力专业销售CR400065V型圈密封,库存SKFCR400065大量现货,与SKF合作,咨询热线:022-58519723业务咨询
SKFCR400065它的长寿命,减少了更换频率 它的模块化设计,让安装和更换变得轻松便捷 质量无可比拟的轴承,在行业内树立了良好的品质标杆先进的制造技术和严格的质量检测,造就了这款优质轴承这轴承的选材讲究,坚固耐用,寿命远超同类产品它的尺寸一致性,让批量生产成为可能 ,八零动力SKFV型圈密封品种全,价格优,质量有保证!

用户关注最多的SKF轴承型号

SKF1213EKTN9+H213 SKF319432DA-2LS SKF351573 SKF5214A SKF7044CD/P4A SKF71909ACD/P4A SKFCR30x56x8CRW1R SKFCR30X47X7HMS5RG SKFCR419993 SKFCR45X72X10HMS5RG SKFH2320 SKFS71908FB/P7 SKFSAF22526x4.1/2 SKFSNL218 SKFSNL3052/9.7/16TURT

CR400065V型圈密封近似的SKF轴承型号

SKFCR400065 SKFCR400064 SKFCR400070

用户关注最多的轴承狗热门型号

SKF  CR87500 TORRINGTON FAFNIR  6300-2Z LYC  381088/C2 FAG  LOE324-N-AF-L NSK  7011ATYNSULP4 TIMKEN  EE275100/275160 国产  LBE16-OPA NTN  23036CCK/W33 KOYO  RS455020A TIMKEN  RA115RRB2 NSK  7010CDT SKF  2x7340BCBM SKF  81116 INA  GE30-SX FAG  BND3256-H-C-T-AF-S

版权所有©2009-2015 轴承狗zcgou.com ICP备案:津ICP备14004550号-13