SKFCR400051轴承详细参数

发布时间:2026-04-14
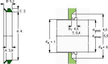
V形环密封件, VR2 设计
V形环密封件
da d A B C
最小 最大
mm mm - - - -
4,55,543,95,22VR2RCR 400051400051

SKFCR400051V型圈密封供应商

八零动力专业销售CR400051V型圈密封,库存SKFCR400051大量现货,与SKF合作,咨询热线:022-58519723业务咨询
SKFCR400051它的抗氧化性能,延长了它的使用寿命 高品质的轴承,在各种复杂环境下都能稳定发挥作用轴承的选材精良,确保了其具有良好的耐磨性和抗腐蚀性是机械世界的璀璨明星,为设备的精确运行提供了保障,该轴承的精度控制精准,为设备的精确运行提供了保障它的材质选择,体现了对耐用性的极致追求 ,八零动力SKFV型圈密封品种全,价格优,质量有保证!

用户关注最多的SKF轴承型号

SKF1209ETN9 SKF3203ATN9 SKF6309-RS SKF7224ACD/P4A SKFCR1000360 SKFCR350x400x17HDS1R SKFCR38X58X8HMSA10V SKFCR80X100X12HMS5RG SKFNKX10ZTN SKFNNCF5034CV SKFNUP2212ECP* SKFNU202ECPHA SKFNUP326ECP SKFQJ205MA* SKFRMS18

CR400051V型圈密封近似的SKF轴承型号

SKFCR400051 SKFCR400050 SKFCR400054

用户关注最多的轴承狗热门型号

TIMKEN  3877 /3820-B ZKL  7224B/DT INA  YRT200 NSK  7312BDF NACHI  NU206EG INA  NA4903 FLT  NU2228 NSK  HR33217J FLT  N316 SNR  7314B/DF INA  ZKLN0624-2Z NTN  23222BK KOYO  NU312R SKF  7203B/DT IKO  RNA4824

版权所有©2009-2015 轴承狗zcgou.com ICP备案:津ICP备14004550号-13