SKFCR21306轴承详细参数

发布时间:2026-05-30
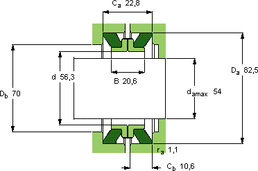
机械密封件
尺寸 密封
da Da Ca d Cb
最大
mm mm - - - -
5482,522,856,310,6HDDF1RCR 2130621306

SKFCR21306机械密封件供应商

八零动力专业销售CR21306机械密封件,库存SKFCR21306大量现货,与SKF合作,咨询热线:022-58519723业务咨询
SKFCR21306卓越的性能和可靠的质量,让这款轴承成为市场的宠儿它的加工设备,代表了世界领先水平 转动世界的精密之选,它的品质卓越,为机械设备的高效运行提供了坚实后盾它的模块化设计,让安装和更换变得轻松便捷 它的圆度误差几乎可以忽略不计 ,八零动力SKF机械密封件品种全,价格优,质量有保证!

用户关注最多的SKF轴承型号

SKF1219K SKF23268CAK/W33+OH3268H* SKF234412B SKF33018 SKF3303A-2RS1TN9/MT33 SKF61876 SKF81207TN SKFCR43345 SKFCR99424 SKFIR35x42x20IS1 SKFKD21-304 SKFLL639249/210 SKFPCZ2832M SKFSY1.1/4TF/VA201 SKFSYE1.11/16

CR21306机械密封件近似的SKF轴承型号

SKFCR21306 SKFCR21302 SKFCR21336

用户关注最多的轴承狗热门型号

NACHI  NP205 KOYO  23220CCK/W33 KOYO  NN3022 FAG  H39/1320-HG LYC  6811 ZZ INA  ZM50 KOYO  NJ2310+HJ2310 SKF  216NR NSK  2308K INA  PAP120100-P10 LYC  352128 KINGON  MF62ZZ TIMKEN  39586/39528 RHP  7203C/DT KOYO  46384A

版权所有©2009-2015 轴承狗zcgou.com ICP备案:津ICP备14004550号-13