SKFCR18259轴承详细参数

发布时间:2026-04-14
机械密封件
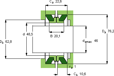
尺寸 密封
da Da Ca d Cb
最大
mm mm - - - -
4676,222,648,510,6HDDF1RCR 1825918259

SKFCR18259机械密封件供应商

八零动力专业销售CR18259机械密封件,库存SKFCR18259大量现货,与SKF合作,咨询热线:022-58519723业务咨询
SKFCR18259它在家用电器中的应用,让生活更加便捷 从制造工艺到实际性能,这款轴承都表现得十分出色,有效增强了机械设备的竞争力它的精密设计,展现了人类智慧的巅峰 它的润滑技术,让摩擦降至最低 它的滚动体与沟槽的配合,堪称完美 ,八零动力SKF机械密封件品种全,价格优,质量有保证!

用户关注最多的SKF轴承型号

SKF292/500 SKF294/530 SKF2x7221BECBM SKF32206BJ2/QCL7CVA606 SKF33014/Q SKFCR32X42X7HMS5V SKFCR8X18X5HMSA10V SKFFYRP1.1/2H-18 SKFFYT1.1/16TF SKFMB20A SKFP80R-35TF SKFSAF22544 SKFSAW23524 SKFSYR1.11/16-3 SKFWS81126

CR18259机械密封件近似的SKF轴承型号

SKFCR18259 SKFCR18242 SKFCR18264

用户关注最多的轴承狗热门型号

NTN  NUP2206E SNR  7214B/DB SKF  24134-2CS5/VT143* SKF  62206-2RS1 TIMKEN  T202 国产  NUTR25 LYC  22308 C/W33 INA  GE50-FW-2RS NTN  7919DB FAG  BND2280-Z-T-BF-S SKF  2206E-2RS1KTN9 NTN  61832N MRC  6003-2Z SKF  CR1525252 SKF  81222TN

版权所有©2009-2015 轴承狗zcgou.com ICP备案:津ICP备14004550号-13