

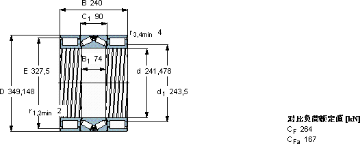
| 组合式圆柱滚子轴承/圆锥滚子轴承, 组合式圆柱滚子轴承/圆锥滚子轴承 | |||||||||||
| 主要数据尺寸 | 基本负荷额定值(1列) | 疲劳限值(1列) | 体积 | 型号 | |||||||
| 径向 | 轴向 | ||||||||||
| 动态 | 静态 | 动态 | 静态 | 径向 | 轴向 | ||||||
| d | D | B | C | C0 | C | C0 | Pu | Pu | |||
| mm | kN | kN | kg | - | |||||||
| 241,478 | 349,148 | 240 | 781 | 1340 | 710 | 2160 | 132 | 200 | 73,5 | BVNB 328605/HA1 | |
版权所有©2009-2015 轴承狗zcgou.com ICP备案:津ICP备14004550号-13