

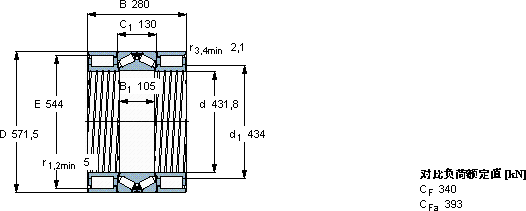
| 组合式圆柱滚子轴承/圆锥滚子轴承, 组合式圆柱滚子轴承/圆锥滚子轴承 | |||||||||||
| 主要数据尺寸 | 基本负荷额定值(1列) | 疲劳限值(1列) | 体积 | 型号 | |||||||
| 径向 | 轴向 | ||||||||||
| 动态 | 静态 | 动态 | 静态 | 径向 | 轴向 | ||||||
| d | D | B | C | C0 | C | C0 | Pu | Pu | |||
| mm | kN | kN | kg | - | |||||||
| 431,8 | 571,5 | 280 | 1300 | 2450 | 1630 | 5850 | 212 | 475 | 190 | BVNB 328540 A/HA1 | |
版权所有©2009-2015 轴承狗zcgou.com ICP备案:津ICP备14004550号-13