SKFBT4B328083/HA1轴承详细参数

发布时间:2026-04-14
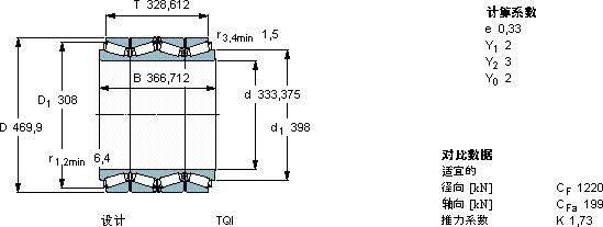
圆锥滚子轴承, 四列,TQI结构, TQI
主要数据尺寸 基本负荷额定值 疲劳负荷限值 体积 型号
动态 静态
d D T B C C0 Pu
mm kN kN kg -
333,375469,9328,612366,712457011400930190BT4B 328083/HA1

SKFBT4B328083/HA1圆锥滚子轴承供应商

八零动力专业销售BT4B328083/HA1圆锥滚子轴承,库存SKFBT4B328083/HA1大量现货,与SKF合作,咨询热线:022-58519723业务咨询
SKFBT4B328083/HA1它的可靠性,赢得了无数工程师的信任 它的品质卓越,为机械设备的高效、稳定运行保驾护航轴承的精度极高,使得设备的运行误差被控制在极小范围内这轴承的选材讲究,坚固耐用,寿命远超同类产品转动精彩卓越的性能和可靠的质量,让这款轴承成为市场的宠儿,八零动力SKF圆锥滚子轴承品种全,价格优,质量有保证!

用户关注最多的SKF轴承型号

SKF23226CC/W33* SKF239/950CAK/W33+OH39/950H SKF2x7336BCBM SKF6302/HR11QN SKF71912FB/P7 SKF7308BEY SKF812/600M SKFALS22ABP SKFBT4B332827/HA1 SKFCR27565 SKFCR38X60X10HMSA10RG SKFCR70x100x13CRSA1R SKFNNU49/600B/SPW33X SKFNU2213ECP* SKFPCM11011560E

BT4B328083/HA1圆锥滚子轴承近似的SKF轴承型号

SKFBT4B328083/HA1 SKFBT4B328074/HA4 SKFBT4B328100/HA4

用户关注最多的轴承狗热门型号

SKF  PF1.1/16WF NTN  30321 NACHI  7211BDB SKF  53418M SKF  SY1.5/16TF SKF  NN3028/SPW33 LYC  NN 4952 K/P5YA1 SKF  PF1.1/4WF TIMKEN  MB01 TORRINGTON  22252CACK/W33 SKF  SNL3084LTURT SKF  23148CCK/33+H3148 TIMKEN  EE430888/431575 NTN  7201B/DF IKO  CFS5FW

版权所有©2009-2015 轴承狗zcgou.com ICP备案:津ICP备14004550号-13