

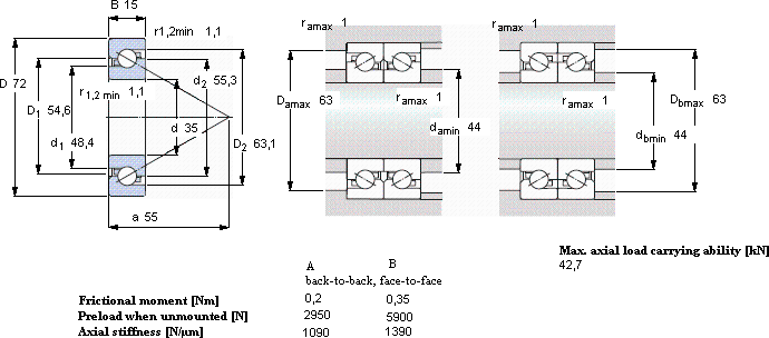
| 角接触推力球轴承 for screw drives, single direction | |||||||||||
| 主要数据尺寸 | 基本负荷额定值 | 疲劳负荷限值 | 可达到的速度 | 体积 | 型号 | ||||||
| 动态 | 静态 | 当润滑与 | SKF | SNFA | |||||||
| 油脂 | 滴油润滑 | ||||||||||
| d | D | H | C | C0 | Pu | ||||||
| mm | kN | kN | r/min | kg | - | ||||||
| 35 | 72 | 15 | 36,5 | 98 | 3,65 | 7500 | 9000 | 0,30 | BSD 3572 CG | BS 35/72 7P62U | |
版权所有©2009-2015 轴承狗zcgou.com ICP备案:津ICP备14004550号-13