

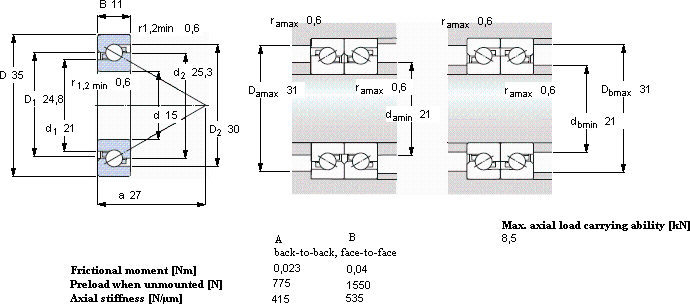
| 角接触推力球轴承 for screw drives, single direction | |||||||||||
| 主要数据尺寸 | 基本负荷额定值 | 疲劳负荷限值 | 可达到的速度 | 体积 | 型号 | ||||||
| 动态 | 静态 | 当润滑与 | SKF | SNFA | |||||||
| 油脂 | 滴油润滑 | ||||||||||
| d | D | H | C | C0 | Pu | ||||||
| mm | kN | kN | r/min | kg | - | ||||||
| 15 | 35 | 11 | 12,7 | 25,5 | 0,95 | 12000 | 15000 | 0,054 | BSA 202 CG | BS 215 7P62U | |
版权所有©2009-2015 轴承狗zcgou.com ICP备案:津ICP备14004550号-13