SKFBNTB326074/HB1轴承详细参数

发布时间:2026-04-14
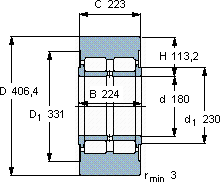
用于多辊轧机的背辊轴承, 用于多辊轧机的背辊轴承
主要数据尺寸 基本负荷额定值 最大径向负荷 体积 型号
滚子
动态 静态 动态 静态
D d B C H C C0 Fr F0r
mm kN kN kg -
406,4180224223113,21760290012901860170BNTB 326074/HB1

SKFBNTB326074/HB1多辊式轧钢机支承轴承供应商

八零动力专业销售BNTB326074/HB1多辊式轧钢机支承轴承,库存SKFBNTB326074/HB1大量现货,与SKF合作,咨询热线:022-58519723业务咨询
SKFBNTB326074/HB1制造工艺精湛,使得这款轴承在运转时更加顺畅平稳该轴承的性能出色,有效提升了机械设备的整体性能为您创造更多可能,是您值得信赖的工业伙伴,为您的机械保驾护航它的几何精度,让机械运转分毫不差 它的每一次转动,都是对效率的极致追求 ,八零动力SKF多辊式轧钢机支承轴承品种全,价格优,质量有保证!

用户关注最多的SKF轴承型号

SKF240/600ECA/W33 SKF30221J2 SKF61824-RZ SKF7009FB/P7 SKFBC3B320899 SKFCR38X62X7HMSA10V SKFCR85039 SKFCR84730 SKFGS81115 SKFLM283649/610/HAI SKFP17RM SKFPCM105110115B SKFSNL613TURU SKFW638/5-2Z SKFYEL208-2RF/W64

BNTB326074/HB1多辊式轧钢机支承轴承近似的SKF轴承型号

SKFBNTB326074/HB1 SKFBNTB326074B/HB1 SKFBNTB326074B/HB1 SKFBNTB326247/HB1

用户关注最多的轴承狗热门型号

NSK  7903CTY FAG  B7213-E-T-P4S NTN  51406 SKF  24156CACK30/W33 KOYO  7314B/DT TIMKEN  1103KLL3 LYC  6205 E-Z/P63Z2 LYC  787/285G2 FAG  SNV280-L + 22326-E1-K + H2326X408 + DHV526 国产  K16*22*12YA SKF  YAR210-111-2F/AH LYC  6203 E/C3 YA RIV  NU208 SKF  QJ1296N2MA MRC  6008-2Z

版权所有©2009-2015 轴承狗zcgou.com ICP备案:津ICP备14004550号-13