SKFBNTB322891/HB2轴承详细参数

发布时间:2026-05-30
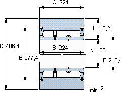
用于多辊轧机的背辊轴承, 用于多辊轧机的背辊轴承
主要数据尺寸 基本负荷额定值 最大径向负荷 体积 型号
滚子
动态 静态 动态 静态
D d B C H C C0 Fr F0r
mm kN kN kg -
406,4180224224113,21570300019302750175BNTB 322891/HB2

SKFBNTB322891/HB2多辊式轧钢机支承轴承供应商

八零动力专业销售BNTB322891/HB2多辊式轧钢机支承轴承,库存SKFBNTB322891/HB2大量现货,与SKF合作,咨询热线:022-58519723业务咨询
SKFBNTB322891/HB2它的品质卓越,为机械设备的高效运行提供了坚实后盾这轴承的质量过硬,经得起时间和高强度工作的考验它的可回收性,减少了废弃物处理成本 它在轨道交通中的应用,确保了列车的安全运行 它的密封性能,完美抵御灰尘和杂质的侵袭 它的旋转精度,让高速运转成为现实 ,八零动力SKF多辊式轧钢机支承轴承品种全,价格优,质量有保证!

用户关注最多的SKF轴承型号

SKF2213E-2RS1TN9 SKF32230T168J2/DB SKF51106V/HR22T2 SKF7011C SKFC71916FB/P7 SKFCR33X50X6HMSA10RG SKFCR528002 SKFCR7X22X7HMS5RG SKFE2.625-2Z/C3 SKFHA318 SKFNA6914 SKFNCF3080CV SKFNN3056/SPW33 SKFSAFC2538x6.13/16 SKFSDAF22617x3

BNTB322891/HB2多辊式轧钢机支承轴承近似的SKF轴承型号

SKFBNTB322891/HB2 SKFBNTB322758/HB1 SKFBNTB326074B/HB1

用户关注最多的轴承狗热门型号

KOYO  313823A LYC  NU 312 M/P63S0 LYC  62213-2RS1 BARDEN  7005AC/DF NSK  NN3068K NTN  NUP1064 SKF  3207ATN9 KOYO  51122 SYEYR  NU2316 SNR  30216 KOYO  NU2226 TIMKEN  12SF20-SS NSK  6915VV ZKL  N418 NSK  N1092

版权所有©2009-2015 轴承狗zcgou.com ICP备案:津ICP备14004550号-13