

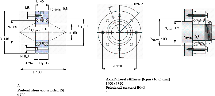
| 角接触推力球轴承 for screw drives, double direction, for bolt mounting | ||||||||||
| 主要数据尺寸 | 基本负荷额定值 | 疲劳负荷限值 | Attainable speed | 体积 | 型号 | |||||
| 动态 | 静态 | SKF | SNFA | |||||||
| d | D | H | C | C0 | Pu | |||||
| mm | kN | kN | r/min | kg | - | |||||
| 60 | 145 | 45 | 85,2 | 216 | 8 | 2600 | 4,30 | BEAM 060145-2Z | BEAM 60/145/Z 7P60 | |
版权所有©2009-2015 轴承狗zcgou.com ICP备案:津ICP备14004550号-13