SKFBC3B326277/HB1轴承详细参数

发布时间:2026-05-30
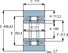
用于多辊轧机的背辊轴承, 用于多辊轧机的背辊轴承
主要数据尺寸 基本负荷额定值 最大径向负荷 体积 型号
滚子
动态 静态 动态 静态
D d B C H C C0 Fr F0r
mm kN kN kg -
406,42180171171113,21450240010801530130BC3B 326277/HB1

SKFBC3B326277/HB1多辊式轧钢机支承轴承供应商

八零动力专业销售BC3B326277/HB1多辊式轧钢机支承轴承,库存SKFBC3B326277/HB1大量现货,与SKF合作,咨询热线:022-58519723业务咨询
SKFBC3B326277/HB1它的抗压强度,让它承载能力惊人 该轴承的性能出色,有效提升了机械设备的整体性能品质永相随轴承的选材优质,确保了其在各种环境下都能稳定工作它的长寿命,减少了资源浪费 它的静音设计,让机械运转如丝般顺滑 ,八零动力SKF多辊式轧钢机支承轴承品种全,价格优,质量有保证!

用户关注最多的SKF轴承型号

SKF609/710MA SKF6213-2Z/VA208 SKFBNTB326074B/HB1 SKFCR22493 SKFCR524815 SKFCR63X90X10HMS5V SKFFYT1.3/8RM SKFHMV82E SKFNU1011 SKFOKF690 SKFPCM8590100M SKFSC71920FB/P7 SKFSNW130x5.3/16 SKFSYNT70F SKFYAR215-212-2F/AH

BC3B326277/HB1多辊式轧钢机支承轴承近似的SKF轴承型号

SKFBC3B326277/HB1 SKFBC3B320899 SKFBC4-8000/HA1

用户关注最多的轴承狗热门型号

KOYO  NJ252 SKF  FSNL519TURU FAG  SNV180-L + 2317-K-M-C3 + H2317X300 + DH617 LYC  6217/C2 RHP  7020C/DB KOYO  NJ238+HJ238 LYC  3806/650/C2 NACHI  5207NR SKF  W44 SKF  6303-ZN SKF  OH3184H NSK  7219A5TYNSULP4 SKF  CR60X95X13CRSH13R FAG  SNV270-L + 20230-K-MB-C3 + H3030X503 + DHV530X503 IKO  CFE20BUU

版权所有©2009-2015 轴承狗zcgou.com ICP备案:津ICP备14004550号-13