SKFBA1B307742轴承详细参数

发布时间:2026-05-30
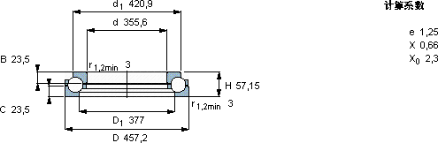
角接触推力球轴承, 单向
主要数据尺寸 基本负荷额定值 疲劳负荷限值 最小负荷系数 体积 型号
动态 静态
d D H C C0 Pu A
mm kN kN - kg -
355,6457,257,15365129027,55,522,0BA1B 307742

SKFBA1B307742角接触推力球轴承供应商

八零动力专业销售BA1B307742角接触推力球轴承,库存SKFBA1B307742大量现货,与SKF合作,咨询热线:022-58519723业务咨询
SKFBA1B307742它在电子设备中的应用,展现了它的高精密性 品质卓越该轴承的性能优越,极大地提高了设备的工作效率这轴承的设计简直精妙绝伦,每一处细节都彰显着极致的工艺美学这款轴承的运转平稳,几乎听不到任何噪音,令人惊艳为您的设备保驾护航,让机械运转无忧,八零动力SKF角接触推力球轴承品种全,价格优,质量有保证!

用户关注最多的SKF轴承型号

SKF32010 SKF33281/33462/Q SKF5216E SKF7317BECBP* SKF7317BEGAM* SKF81152M SKFBCRB326245 SKFBT4-0011G/HA1C500VA901 SKFC4024K30V+AH24024* SKFCR22X32X7HMSA10RG SKFIR42x47x20 SKFM84548/2/510/2/QVQ506 SKFNNU4968BK/SPW33 SKFS7020ACD/P4A SKFSY1.1/2TF/VA201

BA1B307742角接触推力球轴承近似的SKF轴承型号

SKFBA1B307742 SKFBA1B307740 SKFBA1B307756

用户关注最多的轴承狗热门型号

SKF  CR1125524 LYC  132.50.3150.04 SKF  SNW110x1.3/4 NTN  71909C/DB TIMKEN  399AS/3920 KOYO  54420U KOYO  23132CC/W33 SNR  3214A-RS NACHI  7030DT SKF  32021X/Q NSK  7213BYDT SKF  7319BECBM FAG  NN3096-AS-K-M-SP NSK  ZM-UCP210-113D1 KOYO  6021-2RZ

版权所有©2009-2015 轴承狗zcgou.com ICP备案:津ICP备14004550号-13