

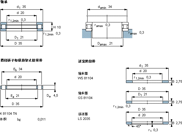
| 圆柱滚子推力轴承, 轴承 / 圆柱滚子和保持架止推组件 | ||||||||||||
| 主要数据尺寸 | 基本负荷额定值 | 疲劳负荷限值 | 最小负荷系数 | 额定速度 | 体积 | 型号 | ||||||
| 动态 | 静态 | 参照速度 | 限制速度 | 轴承 | 圆柱滚子和保持架止推组件 | |||||||
| d | D | H | C | C0 | Pu | A | ||||||
| mm | kN | kN | - | r/min | kg | - | ||||||
| 20 | 35 | 10 | 18,6 | 48 | 4,65 | 0,00018 | 3800 | 7500 | 0,037 | 81104 TN | K 81104 TN | |
版权所有©2009-2015 轴承狗zcgou.com ICP备案:津ICP备14004550号-13