SKF7420CBM轴承详细参数

发布时间:2026-05-30
角接触球轴承, 单列
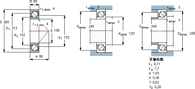
主要数据尺寸 尺寸 [英寸] 疲劳负荷限值 额定速度 体积 型号
动态 静态 参照速度 限制速度
d D B C C0 Pu
mm kN kN r/min kg -
100265602762758,653200320015,57420 CBM

SKF7420CBM角接触球轴承供应商

八零动力专业销售7420CBM角接触球轴承,库存SKF7420CBM大量现货,与SKF合作,咨询热线:022-58519723业务咨询
SKF7420CBM它的微观表面处理,减少了摩擦和磨损 它机械世界的心脏,默默支撑着无数设备的运转 坚固耐用它的抗压强度,让它承载能力惊人 以卓越品质引领行业速度,我们的轴承始终稳如磐石,八零动力SKF角接触球轴承品种全,价格优,质量有保证!

用户关注最多的SKF轴承型号

SKF231/710CA/W33 SKF248/1180CAFA/W20 SKF32920/Q SKF3304A-2Z/MT33* SKF52312 SKF6405 SKF71922CE/P4A SKFCR35X58X10HMS5RG SKFCR99253 SKFN309ECP SKFNNU49/500BK/SPW33X SKFNU305ECP SKFPF5/8RM SKFQJ1284N2MA SKFSILKAC20M

7420CBM角接触球轴承近似的SKF轴承型号

SKF2x7420CBM SKF7420CBM SKF7419GAM SKF77375/77675/Q

用户关注最多的轴承狗热门型号

SKF  CR99229 GMN  7215C/DT SKF  241/560ECK30J/W33* FAG  BND3172-H-W-T-AL-S NSK  NNU4952 KOYO  6204-2Z NSK  F688AVV NACHI  SN606E SKF  23156CACK/33+H3156 FAG  SNV100-L + 20211-TVP + TSV211 INA  PAP2030-P14 INA  GE80-UK-2RS SKF  BS2B243126 KOYO  23124RHK+AHX3124 IKO  CRW6-400

版权所有©2009-2015 轴承狗zcgou.com ICP备案:津ICP备14004550号-13