SKF7419CBM轴承详细参数

发布时间:2026-04-08
角接触球轴承, 单列
主要数据尺寸 尺寸 [英寸] 疲劳负荷限值 额定速度 体积 型号
动态 静态 参照速度 限制速度
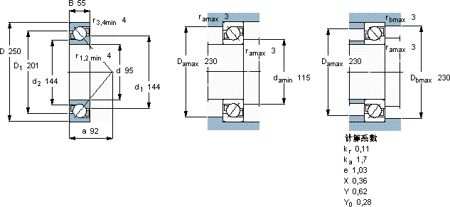
d D B C C0 Pu
mm kN kN r/min kg -
95250552512457,83400340013,57419 CBM

SKF7419CBM角接触球轴承供应商

八零动力专业销售7419CBM角接触球轴承,库存SKF7419CBM大量现货,与SKF合作,咨询热线:022-58519723业务咨询
SKF7419CBM性能卓越的它,为机械设备的稳定运行提供了可靠保障优秀的设计和卓越的性能,让这款轴承备受青睐高品质的轴承,在复杂工况下也能展现出卓越的性能其设计和制造都达到了极高的水准,是一款不可多得的轴承它的抗疲劳性能,确保了长期使用的可靠性 它的多样化应用,展现了它的无限可能 ,八零动力SKF角接触球轴承品种全,价格优,质量有保证!

用户关注最多的SKF轴承型号

SKF234417B SKF6305-2RS SKF7024CD/P4A SKFAS160200 SKFBEAM025075-2RS/PE SKFCR18693 SKFCR32X55X10HMSA10RG SKFCR99840 SKFKRV19PPA SKFNJ2220E SKFNK7/12 SKFNU2216ECP* SKFP1.3/4WF SKFPCM11512050M SKFYEL211-203-2F

7419CBM角接触球轴承近似的SKF轴承型号

SKF2x7419CBM SKF7419CBM SKF2x7419GAM SKF7419M SKF7419GAM SKF7419M SKF7419GAM

用户关注最多的轴承狗热门型号

INA  K9X12X10-TV SKF  LS3047 SKF  24024CCK30/W33 国产  NJ310ETN1 SKF  NU2338ECMA TIMKEN  HH221438/HH221410 TIMKEN  2788A/2735X TIMKEN  30307 /30307 SKF  FYR1.15/16 FAG  SNV215-L + 21320-E1-TVPB + DHV320 SKF  NNCF5016CV NTN  7315B INA  RMWE15-RB/159x../132 NACHI  NU418 SKF  7030BGM

版权所有©2009-2015 轴承狗zcgou.com ICP备案:津ICP备14004550号-13