SKF7416M轴承详细参数

发布时间:2026-04-15
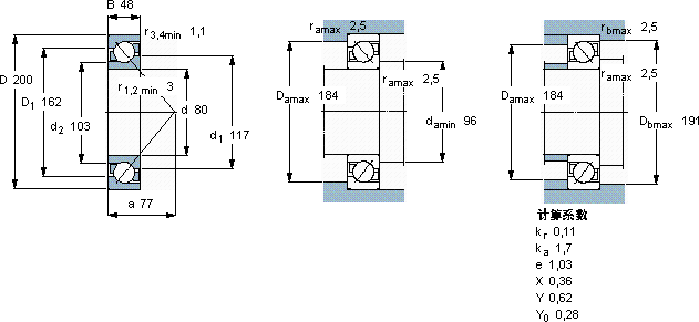
角接触球轴承, 单列
主要数据尺寸 尺寸 [英寸] 疲劳负荷限值 额定速度 体积 型号
动态 静态 参照速度 限制速度
d D B C C0 Pu
mm kN kN r/min kg -
80200481781535,5400043008,007416 M

SKF7416M角接触球轴承供应商

八零动力专业销售7416M角接触球轴承,库存SKF7416M大量现货,与SKF合作,咨询热线:022-58519723业务咨询
SKF7416M承载重托它的抗氧化性能,延长了它的使用寿命 先进的制造技术和严格的质量控制,造就了这款优质轴承它在轨道交通中的应用,确保了列车的安全运行 高精度的制造工艺,造就了这款高品质的轴承它在汽车工业中的应用,让车辆运行更加平稳 ,八零动力SKF角接触球轴承品种全,价格优,质量有保证!

用户关注最多的SKF轴承型号

SKF23092CAC/W33 SKF241/750ECA/W33 SKF32064X/DF SKF32309BJ2/QCL7C SKF7206BEP SKFBK3512 SKFC3040* SKFCR50x72x8CRW1R SKFMB2A SKFMS3084 SKFNCF1840V SKFPCM202315B SKFPFT30FM SKFW6304-2Z SKFYHC207-102-2LS8W/VT357

7416M角接触球轴承近似的SKF轴承型号

SKF7416GAM SKF2x7416CBM SKF7416CBM SKF7416M SKF2x7416GAM SKF7415BM SKF7416CBM

用户关注最多的轴承狗热门型号

LYC  51202/YA LYC  7215 C/P5 SKF  FY1.3/4TF/VA201 SKF  NX35 INA  RMWE12-RB/89x../18 LYC  61992 M LYC  NF 212 LYC  NU 209 M FAG  SNV072-L + 2306-K-TVH-C3 + H2306X015 + DHV606X015 SKF  23240CCK/W33 SKF  IR40x48x40 国产  QJF240M LYC  23144/C3W33 LYC  D 17-3411211 INA  ZM40

版权所有©2009-2015 轴承狗zcgou.com ICP备案:津ICP备14004550号-13