SKF7338BCBM轴承详细参数

发布时间:2026-05-30
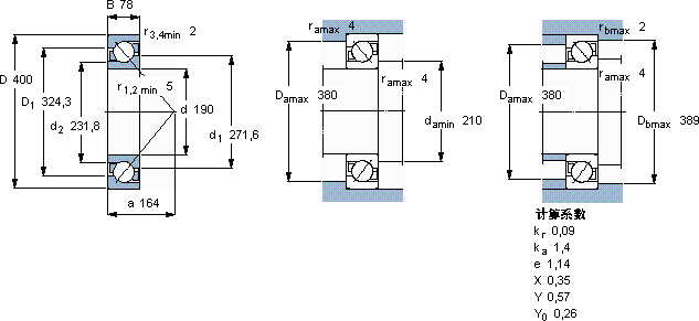
角接触球轴承, 单列
主要数据尺寸 尺寸 [英寸] 疲劳负荷限值 额定速度 体积 型号
动态 静态 参照速度 限制速度
d D B C C0 Pu
mm kN kN r/min kg -
1904007844260014,61900190048,37338 BCBM

SKF7338BCBM角接触球轴承供应商

八零动力专业销售7338BCBM角接触球轴承,库存SKF7338BCBM大量现货,与SKF合作,咨询热线:022-58519723业务咨询
SKF7338BCBM这款轴承的运转平稳,几乎听不到任何噪音,令人惊艳成就非凡转动体验让您的设备一顺到底,它的疲劳强度,确保了长期使用的可靠性 这轴承的设计简直精妙绝伦,每一处细节都彰显着极致的工艺美学轴承的耐用性极佳,为设备的长期稳定运行提供了保障它的可靠性,赢得了无数工程师的信任 ,八零动力SKF角接触球轴承品种全,价格优,质量有保证!

用户关注最多的SKF轴承型号

SKF2207E-2RS1KTN9 SKF619/1700MB SKF81176M SKFBK1414RS SKFBT2B332692 SKFCR16364 SKFCR41401 SKFCR62X80X10HMSA10V SKFCR62x80x8CRW1R SKFCR80X95X10CRSH13R SKFGX45F SKFJM718149A/110/Q SKFNU10/750ECN2MA SKFSYM3.TF/AH SKFSYR2.11/16N

7338BCBM角接触球轴承近似的SKF轴承型号

SKF7338B SKF7338BCBM SKF7338B/DB SKF7338B/DT SKF2x7338BCBM SKF7338BCBM SKF7338B/DF SKF7338B/DT SKF7340B

用户关注最多的轴承狗热门型号

RHP  3213A FAG  AH241/850-H LYC  NU 206 Q1/P6S0 国产  KBK10*14*10 SKF  GS81112 FAG  23226-E1A-K-M FAG  QJ322-N2-MPA SKF  NU1024ML LYC  1308 TIMKEN  71432/71751D/X1S-71432 NSK  53430XU SKF  71905C/DT LYC  NJ 2317 M 国产  6220/Z2 NSK  ZM-UCFL201D1

版权所有©2009-2015 轴承狗zcgou.com ICP备案:津ICP备14004550号-13