SKF7334BCBM轴承详细参数

发布时间:2026-04-15
角接触球轴承, 单列
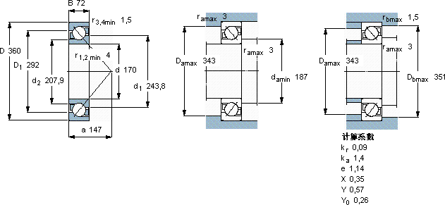
主要数据尺寸 尺寸 [英寸] 疲劳负荷限值 额定速度 体积 型号
动态 静态 参照速度 限制速度
d D B C C0 Pu
mm kN kN r/min kg -
1703607239049012,72000220034,67334 BCBM

SKF7334BCBM角接触球轴承供应商

八零动力专业销售7334BCBM角接触球轴承,库存SKF7334BCBM大量现货,与SKF合作,咨询热线:022-58519723业务咨询
SKF7334BCBM其设计和制造都达到了极高的水准,是一款不可多得的轴承它在机器人领域的应用,展现了它的高精密性 该轴承的性能优越,极大地提高了设备的工作效率它机械世界的心脏,默默支撑着无数设备的运转 其设计和制造工艺都达到了国际先进水平,是一款优质轴承高精度低摩擦,八零动力SKF角接触球轴承品种全,价格优,质量有保证!

用户关注最多的SKF轴承型号

SKF21308EK+AH308* SKF22334CCK/W33+AH2334G* SKF231/600CAK/W33* SKF308-Z SKF4310ATN9 SKF6206-ZNR* SKF6211-2RS SKF71932AC SKFBT4B328988G/HA1VA901 SKFC3084KM* SKFCR21X35X7HMS5RG SKFCR528002 SKFCR7X22X7HMSA10RG SKFGEH80ES-2RS SKFPCMW183201.5B

7334BCBM角接触球轴承近似的SKF轴承型号

SKF2x7334BCBM SKF7334BCBM SKF7334B/DT SKF7334BCBM SKF7334B/DF SKF7334B/DB SKF7334B SKF7334B/DT SKF7336B

用户关注最多的轴承狗热门型号

TIMKEN  EE333137/333197-B TIMKEN  67425/67675 FAG  BND3056-H-W-Y-AF-S NACHI  C22144 SKF  FY3/4RM NSK  7915CDB NSK  23076CAKE4 LYC  FD-NU 6/1200 M/YA TIMKEN  66589/66522D LYC  6203 E-C2 TIMKEN  64452A/64700D/X1S-64452 SKF  BK0910 FAG  HCS7001-E-T-P4S TIMKEN  HM237542/HM237510-B LYC  160RV2303-3/P5

版权所有©2009-2015 轴承狗zcgou.com ICP备案:津ICP备14004550号-13